NSKAW11/AW11X軸承
- 軸承型號:AW11/AW11X
- 系列:螺母墊圈10
- 品牌:NSK
NSK AW11/AW11X軸承,螺母墊圈10,軸承內圈,外圈更多詳細資料您可致電我司,此軸承型號本公司有現貨,獲取NSK AW11/AW11X配合安裝尺寸,基本尺寸,滾子粒數,AW11/AW11X價格,外形尺寸,錐度,軸承的圖紙、樣品、價格或者替換產品等!我們是NSK軸承最佳代理商,所售產品均為原裝正品,請您放心購買! 訂購電話:021-36539288 ,021-36539299
NSKAW11/AW11X軸承參數
-
系列螺母墊圈10
-
型號AW11/AW11X
-
NumbersNominal型號
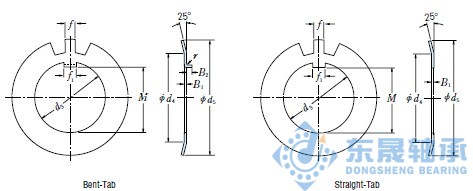
- Bent-Tab帶彎舌式
- Straight-Tab帶直線舌式
- AW11
- AW11 X
-
Washer Series AW 墊圈系列AW
- Basic Dimensions標準尺寸
- No. ofTeet齒數
- Mass (kg)approxper 100 pcs每一百個參考重量
- d3
- M
- f1
- B1
- f
- d4
- d5
- r
- 2
- 55
- 52.5
- 8
- 1.2
- 7
- 67
- 81
- 1
- 4
- 17
- 1.96
-
Reference參考
- Adapter (1)Sleeve BoreDia. Numbers 緊定襯套內徑代號
- NutNumbers螺母型號
- ShaftDia.軸徑
- 11
- AN 11
- 55
- 螺母墊圈10 AW11/AW11X 系列圖片

